Máy bơm Ebara là dòng máy bơm được sử dụng rất nhiều tại các hệ thống cung cấp nước với rất nhiều dòng máy khác nhau như máy bơm ly tâm, máy bơm đầu inox, máy bơm trục đứng, máy bơm nước thải, máy bơm giếng khoan, … Dòng máy bơm được sử dụng nhiều nhất phải kể tới máy bơm Ebara đầu inox CDX được dùng để bơm nước nóng với nhiều dòng model sản phẩm khác nhau để phù hợp với điều kiện sử dụng của từng người.
Vì dòng máy bơm Ebara CDX được rất nhiều người lựa chọn nên để mọi người hiểu rõ hơn về các dòng model sản phẩm chúng tôi sẽ giới tiệu tới mọi người người catalogue của dòng máy bơm Ebara đầu inox CDX.
Tìm hiểu về máy bơm Ebara đầu inox CDX
Máy bơm Ebara CDX là dòng máy bơm có đầu bơm được làm bằng inox được nhập khẩu từ Italia được áp dụng những công nghệ tiên tiến hàng đầu trên thế giới với buồng bơm và cánh bơm bằng Inox 304. Bơm được dùng cho hệ thống cung cấp nước phục vụ hoạt động sản xuất công nghiệp, nông nghiệp, dùng cho các hộ gia đình. ng PCCC, bù áp cho công nghiệp, thủy lợi, hệ thống tăng áp, giải nhiệt xử lí nước thải…
Đây là dòng máy bơm Ebara đầu inox chuyên dùng để bơm nước do có cấu tạo đặc biệt bộ phận tiếp xúc với nước được thiết kế đặc biệt vì thế mà bơm được dùng để bơm nước nước có nhiệt độ từ – 50C đến 600C với phiên bản 0.75 kW trở xuống và bơm đến 900C với phiên bản 1.1 kW trở lên.
Động cơ của máy bơm Ebara đầu inox CDX được trang bị lớp cách điện F và tiêu chuẩn chống nước bụi IP 55.
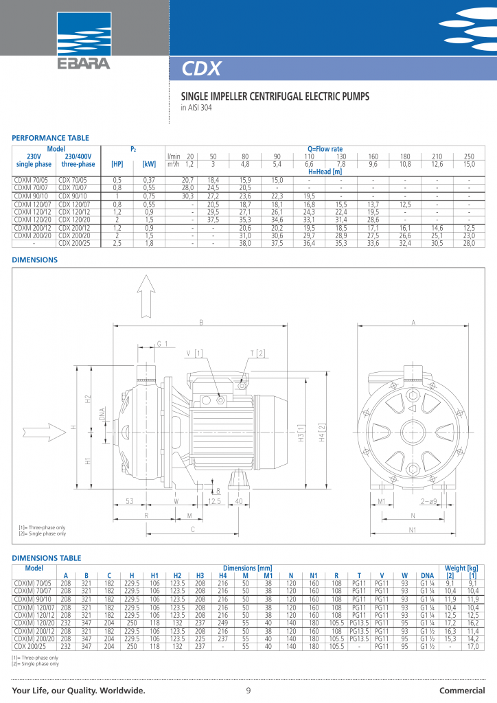
Để hiểu rõ hơn về các thông số kỹ thuật, các dòng model sản phẩm của dòng bơm Ebara CDX mời mọi người xem bảng catalogue bơm Ebara đầu inox CDX dưới đây:
Trênđây là catalogue máy bơm Ebara đầu inox CDX mà maybomebara.vn giới thiệu tới cho mọi người tham khảo. Để biết thêm thông tin bạn đọc có thể liên hệ với số hotline 0913.985.868 để được tư vấn lựa chọn một model phù hợp nhất.








