Máy bơm Ebara 2CDX là dòng máy bơm ly tâm của thương hiệu Ebara. Đây là một trong những model máy bơm Ebara được sử dụng nhiều ở các hệ thống cấp nước hiện nay. Vì vậy ở bài viết này add sẽ giới thiệu đến mọi người catalogue máy bơm Ebara 2CDX để mọi người tham khảo .
Contents
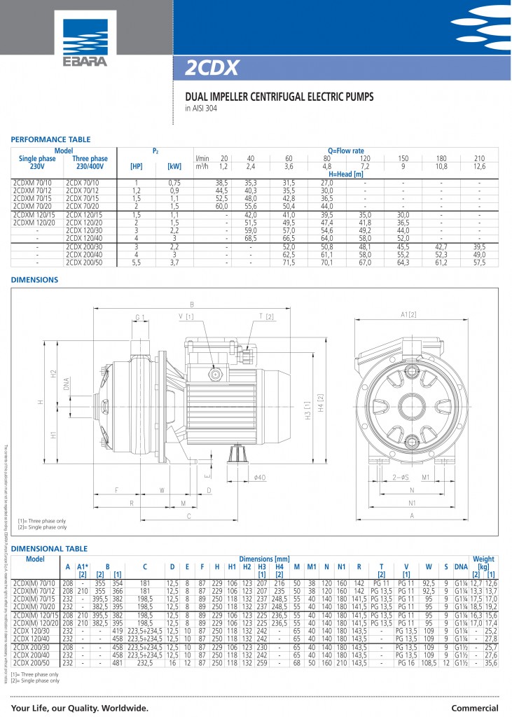
Thông số kỹ thuật liên quan tới máy bơm Ebara 2CDX
2CDX là dòng máy bơm đầu inox Ebara đươc làm từ thép không gỉ AISI 304. Đây là dòng bơm được sử dụng cho hệ thống cấp nước sinh hoạt, hệ thống tưới tiêu, …
Biểu đồ lưu lượng cột áp của máy bơm Ebara 2CDX
Bảng thông số kỹ thuật máy bơm ebara 2CDX
Mô tả chi tiết về bơm Ebara 2CDX
– Bơm sử dụng guồn điện (V): 380
– Nhiệt độ tối đa mà bơm bơm được (Độ C): 60
– Trục máy bơm được làm bằng inox cho độ bền cao.
– Phớt bơm Ebara 2CDX được làm bằng inox giúp máy có thể chịu được áp lực cao và hoạt động ổn định ở mọi điều kiện môi trường khắc nghiệt
– Buồng bơm và cánh bơm được làm bằng inox.
– Hãng sản xuất: Ebara – Italy
– Lớp bảo vệ: F
– Chế độ bảo vệ: IP55
Nhờ những cấu tạo chắc chắn mà dòng máy bơm Ebara 2CDX được dùng để bơm nước cho các hệ thống tưới tiêu, ứng dụng bơm nước trong công nghiệp,…. Để biết thêm thông tin về sản phẩm hãy liên hệ ngay số hotline 0913.985.868, email thanhdat@maycongnghiep.vn.
>> Xem thêm: Cách chọn máy bơm giếng khoan Ebara







