Máy bơm cao áp Ebara MMD 65-250
Bảng thông số kỹ thuật chi tiết lưu lượng cột áp của máy bơm cao áp Ebara MMD 65-250

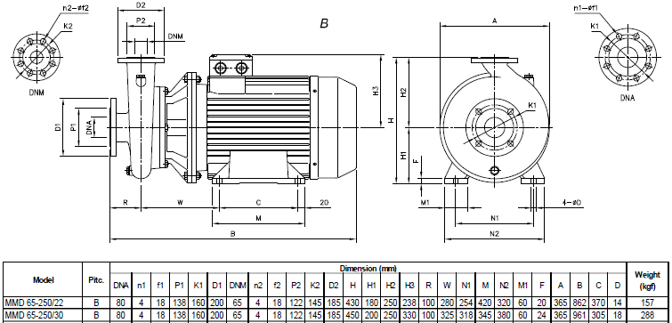
Bảng thông số chi tiết kích thước của máy bơm cao áp Ebara MMD 65-250

Biểu đồ thông số hoạt động của máy bơm cao áp Ebara MMD 65-250

Ứng dụng của máy bơm cao áp Ebara MMD 65-250
-Chuyển tải nước sạch dân dụng , công nghiệp, nông nghiệp
-Dùng cho hệ thống sưởi, điều hòa không khí, tăng áp
-Trung tâm thể thao
-Các nhà máy giặt
-Hệ thống thủy lợi
Đặc điểm cấu tạo của máy bơm cao áp Ebara MMD 65-250
-Vỏ bơm, khung động cơ: Gang
-Trục: Thép không gỉ AISI304
-Bánh công tác : Thép AISI304
-Động cơ hoạt động hiệu quả cao
-Động cơ không đồng bộ
-Lớp cách điện : F
-Lớp bảo vệ: IP55
-Điện áp 1 pha : 230V ± 10%, 50Hz
-Điện áp 3 pha :
+230/400V ± 10% 50Hz với công suất 4 kW
+400/690V ± 10% công suất từ 5,5 kW trở lên
Giới hạn hoạt động của máy bơm cao áp Ebara MMD 65-250
-Nhiệt độ chất lỏng bơm Max: 90 ° C
-Áp suất Max: 10 bar
-Lưu lượng Max: 135 m³/h
-Cột áp Max: 86,5 m



